Описание
Подшипник SKF 2205 E-2RS1TN9
Неразъемный открытый самоустанавливающийся подшипник с контактными уплотнениями с двух сторон. Оптимизированная внутренняя конструкция, обеспечивающая повышенную грузоподъёмность. Имеет два ряда шариков, общую сферическую дорожку качения на наружном кольце, а также две глубоких дорожки качения на внутреннем кольце и сепаратор из стеклопластика, который центрируется по шарикам. Уплотнение из бутадиен-нитрильного каучука (NBR). Данный подшипник нечувствителен к угловым перекосам вала относительно корпуса, которые могут возникать, например, по причине деформации вала. Может применяться при температуре от -40 °C до +100 °C. Воспринимает радиальную нагрузку.
Неразъемный открытый самоустанавливающийся подшипник с контактными уплотнениями с двух сторон. Оптимизированная внутренняя конструкция, обеспечивающая повышенную грузоподъёмность. Имеет два ряда шариков, общую сферическую дорожку качения на наружном кольце, а также две глубоких дорожки качения на внутреннем кольце и сепаратор из стеклопластика, который центрируется по шарикам. Уплотнение из бутадиен-нитрильного каучука (NBR). Данный подшипник нечувствителен к угловым перекосам вала относительно корпуса, которые могут возникать, например, по причине деформации вала. Может применяться при температуре от -40 °C до +100 °C. Воспринимает радиальную нагрузку.
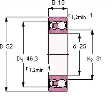
- Внутренний диаметр d - 25 мм
- Внешний диаметр D - 52 мм
- Высота B - 18 мм
- Динамическая грузоподъемность Cr: 14300 Н
- Статическая грузоподъемность Cor: 4000 Н
Характеристики
Цвет
Хром / черный
Единица измерения
шт
Страна производства
Швеция
Гарантия производителя
false
Погрешность веса
+/-1%
Вес изделия, грамм
163
Условия хранения
не требует особых условий хранения
SKU
2205 E-2RS1TN9
Диаметр изделия, мм
внутренний - 25, внешний - 52
Высота изделия, мм
18
Отзывы
Отзывов еще никто не оставлял



